Panel For Example Panel For Example Panel For Example

Soft Starters for Motor Start-up and Network Security

Author : Adrian March 20, 2026

Three-phase induction motors powered from AC lines and rated from tens to hundreds of horsepower drive many commercial and industrial applications. These motors typically draw drive currents from about 10 A to 1000 A, with line voltages from 200 V AC to 700 V AC. Designers must address large surge currents at start, which can damage the motor and impact the driven load.

A soft starter placed between the AC supply and the motor controls the surge current by regulating the motor start acceleration and torque, allowing motor performance to be optimized and negative effects minimized. More advanced soft starters add electrical and thermal protection, broad connectivity options, and measures to mitigate network attacks.

This article summarizes soft starter functionality and describes the Schneider Electric Altivar ATS480 soft starter.

 

Soft starter functions

When used with a motor, a soft starter reduces inrush current and controls torque during the start transition. The device ramps the voltage applied to the motor gradually, which reduces jerk (the rate of change of acceleration) and enables smooth acceleration.

Soft starters typically allow users to adjust starting torque and acceleration time to suit different applications. They not only significantly lower starting current but also suppress current during acceleration.

Newer soft starters provide additional functionality such as improved efficiency, dynamic power factor correction to maintain a high power factor (PF), enhanced electrical safety, line and motor fault detection, network connectivity, and cybersecurity features.

The Altivar ATS480 family from Schneider Electric is an example of an advanced soft starter line (see Figure 1).

Schneider Electric Altivar ATS480 series soft starter

Figure 1: The Altivar ATS480 series soft starters build advanced features on top of core soft starter functions. Image source: Schneider Electric

These devices integrate six thyristors and a torque control algorithm to manage acceleration, deceleration, and stopping of three-phase squirrel-cage induction motors up to 900 kW. Various models in the series support supply voltages from 208 V to 690 V and current ratings from 17 A to 1200 A. All units comply with global standards and regulatory requirements for performance, safety, efficiency, electromagnetic compatibility (EMC), pollution degree, shock, vibration, and certification.

The ATS480 devices include multiple line, starter, and load protection features, including:

  • Phase failure protection (line)
  • Integrated thermal protection (motor)
  • Thermal protection (starter)
  • Current overload protection (motor)
  • Underload protection (motor)
  • Long start-time protection and rotor locked protection (motor)
  • Motor phase-loss protection (motor)
  • Supply phase-loss protection (line and motor)
  • Motor thermal protection via direct connection to a PTC thermistor or a platinum PT100 2-wire or 3-wire resistance temperature detector (RTD) probe

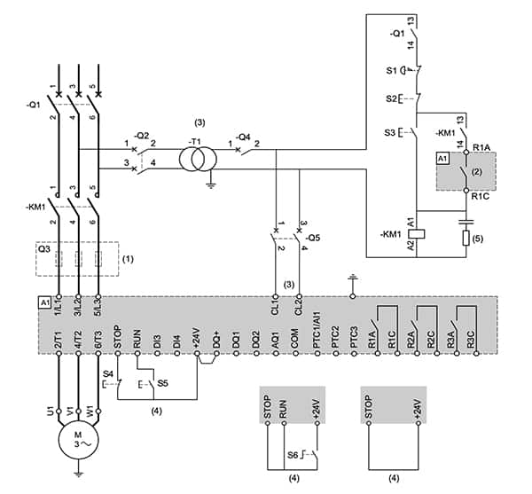
Wiring options are flexible to meet varied application needs. A basic configuration targets local control and requires manual intervention after a fault reset to restart, even if remote control is enabled. In this arrangement the operator must press the S3 pushbutton to restart (see Figure 2).

Soft starter wiring options diagram

Figure 2: One of many wiring options for the soft starter; the user must manually press S3 to restart after a fault reset. Image source: Schneider Electric

Component names referenced in Figure 2 are shown in the following illustration.

Component names for Figure 2

Table 1: Component names for Figure 2. Image source: Schneider Electric

ATS480 units also provide separate normally open (NO) and normally closed (NC) electromechanical relay contacts rated 2 A/250 V AC, plus 30 V open-collector digital outputs. These contacts and outputs simplify the implementation of indicators or auxiliary devices.

 

Connectivity and cybersecurity

Beyond advanced soft starter features, every ATS480 unit supports multiple connectivity options. Each unit has two RJ45 ports for configuration and firmware updates and supports connection of external plain-text or graphic display terminals. A module slot accepts communication modules for Modbus TCP, Ethernet/IP, CANopen, PROFINET, or PROFIBUS DP.

These connections introduce security considerations. The series incorporates cybersecurity best practices to prevent malicious attacks and reduce the risk of accidental operator or contractor errors. Protections cover account management including user authentication and authorization, multi-level password protection, and careful restriction of ports, functions, and sources.

Higher-level security features include active defense measures that manage cybersecurity events, with detailed timestamped and user-tagged activity logs. Firmware authenticity for installed firmware and upgrades is reinforced by digital firmware signatures and encryption keys, ensuring valid firmware is used each power cycle.

 

Human-machine interface support

Many soft starters also provide immediate local access for operators. This access is typically via clearly labeled discrete switches on or near the motor or device for basic run and stop actions, as required by safety regulations.

The ATS480 can be connected to two independent run and stop switches or a single combined run/stop switch (see Figure 3).

Two separate stop and run buttons or one dual-action switch

Figure 3: The soft starter can be wired for two independent stop and run buttons or one dual-action switch. Image source: Schneider Electric

For basic setup, operation, and query functions, designers can use the VW3A1113 eight-line plain-text display terminal. This terminal uses the supplied RJ45 connector, can be mounted on the front of the soft starter, or remotely mounted on the enclosure door using a remote mounting accessory.

Schneider Electric VW3A1113 plain-text display terminal

Figure 4: The VW3A1113 plain-text display terminal connects to the soft starter via the supplied RJ45 connector and supports basic setup, operation, and query functions. Image source: Schneider Electric

The terminal is multilingual (English, French, Spanish, Italian, German, and Chinese, with additional downloadable languages) and requires a password to log in. Once connected, it can be used to:

  • Control, tune, and configure the soft starter
  • Display current motor, input/output, and machine data values
  • Store and download configurations
  • Copy a powered soft starter configuration to another powered soft starter

For more advanced diagnostics, control, monitoring, and file management, Schneider Electric provides a Device Type Manager (DTM) and SoMove software that work with PC-based graphical terminal displays.

 

Rated power determines packaging and form factor

Although devices within the Altivar ATS480 family share functions, capabilities, user interfaces, and connectivity, their drive power ratings differ. This parameter determines packaging and physical dimensions, as illustrated by the series lowest- and highest-power units.

The ATS480D17Y is rated to supply 17 A to three-phase motors from 208 V to 690 V and uses a 110 V AC to 230 V AC control supply. The unit measures 275 mm high, 160 mm wide, and 8 mm deep, and weighs under 5 kg.

Smallest (left) and largest (right) ATS480 series units

Figure 5: The smallest (left) and largest (right) units in the Altivar ATS480 series share similar features but differ significantly in current handling and weight. Image source: Schneider Electric

By contrast, the ATS480M12Y is rated for much higher power and can supply 1200 A for lines from 208 V to 690 V. It uses a 110 V AC to 230 V AC control supply. While features and functions are nearly identical to the 17 A unit, the enclosure is much larger: 890 mm high, 770 mm wide, 329 mm deep, and weighs 115 kg.

 

Conclusion

Soft starters provide an important interface between multi-phase AC supplies and medium to large three-phase AC motors to control inrush current. The Altivar ATS480 series supports motors from 17 A to 1200 A and offers broad connectivity along with enhanced cybersecurity features. These devices provide functionality to improve performance, safety, and reliability.