Panel For Example Panel For Example Panel For Example

Two Primary Methods for Measuring Heart Rate

Author : Adrian March 12, 2026

Heart rate data provide valuable information about an individual’s physiological state. By detecting irregularities such as arrhythmias, heart rate measurements are used across applications from personal fitness tracking to clinical patient monitoring. Modern wireless and wearable technologies can collect complex data noninvasively, perform real-time analysis and display, and store results for later review.

These technologies have driven the adoption of wearable fitness and monitoring devices such as wristbands and chest straps. In clinical settings, noninvasive heart-rate monitoring can help identify reduced cardiac perfusion and assess risks such as myocardial infarction or thrombus formation. Portable monitors and handheld analyzers are also used to periodically observe vital signs such as arterial oxygen saturation, respiration rate, and hydration level at the bedside.

Demand for noninvasive and wearable devices is growing, and the complexity of the data to be collected is increasing. That raises technical challenges in data acquisition, signal conditioning, and processing. For medical applications in particular, measurements must be reliable, accurate, and secure.

There are two primary approaches to measuring heart rate. The first uses optical techniques to detect changes in light absorption or reflection as blood flows through vessels near the skin. Optical methods can also estimate blood oxygen saturation (pulse oximetry, SpO2). Key technical challenges for optical systems include low power consumption, ambient-light suppression, and mitigation of environmental noise. The second approach measures bioelectric potentials with voltage-sensing electrodes to detect the electrical activity generated by cardiac tissue and conducted to the skin. That data is used to generate an electrocardiogram (ECG), which clinicians commonly use to assess cardiac health. Bioimpedance measurements can also be used to determine respiration rate and relative strength. Key technical challenges for bioelectric approaches include low-power operation, motion compensation, and removal of noise and other interference.

 

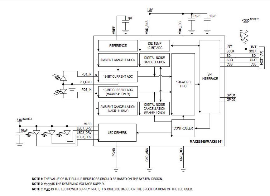
1. Optical Photoplethysmography (PPG) and Pulse Oximetry

Dedicated optical data-acquisition systems for heart-rate monitoring are available. For example, Maxim Integrated’s MAX86140 has been optimized for optical heart-rate, SpO2, and muscle oxygenation measurements via wrist, finger, ear, and other sensor locations.

Optical heart-rate monitoring often requires a single light source, while pulse oximetry requires two. Multiple light sources are commonly used to improve accuracy and extend the measurable range. The MAX86140 and MAX86141 provide single and dual optical channels, respectively.

On the transmitter side, three programmable high-current LED drivers can drive up to six LEDs. Because the devices can operate in a master-slave configuration, the LED drivers can support up to 12 LEDs. A key feature is a proprietary ambient-light cancellation (ALC) circuit that helps preserve measurement accuracy in bright conditions and during rapid changes in illumination.

Other main features include a low-noise analog front end (AFE) with a 19-bit sigma-delta ADC, an internal voltage reference, and a temperature sensor. The ADC output data rate is programmable from 8 to 8192 samples per second, and the devices require minimal external components. A 128-word FIFO provides on-chip storage for digital output data and interfaces to a microcontroller.

Both devices operate from a 1.8 V supply and include a separate 3.1 V to 5 V LED driver supply with multiple power-saving options. Flexible timing and shutdown configurations and per-block control enable optimized measurements at minimal power. In low sample-rate modes below 128 sps, dynamic power-down modes are available. A proximity mode can reduce energy use when the sensor is not in contact with skin.

An optical controller can be configured for a variety of measurements. Pulses may be applied sequentially to one, two, or three LED drivers for multiwavelength measurements required by pulse oximetry. When LED drivers are pulsed simultaneously, heart-rate measurement is practical for wrist-worn devices. LED drive levels are adjustable to compensate for increased interference and noise in challenging environments.

 

2. Bioelectric ECG Measurement

ECG measures heart rate and provides detailed waveform information that supports more comprehensive cardiac assessment by clinicians. ECG also enables more reliable heart-rate monitoring in fitness applications, particularly when chest straps are used. Compared with optical sensors at the same accuracy level, bioelectric measurements typically require far less power. However, ECG signal processing can quickly consume battery energy. ECG readings are also susceptible to motion and other interference sources, so motion compensation is important in fitness applications where motion itself can be a major noise source.

Specialized devices exist for these applications. Maxim Integrated’s MAX30003 is a single-channel bioelectric AFE designed for wearable applications. The device provides a clinical-grade ECG AFE and a high-resolution ADC offering 15.5 effective bits and 5 μV peak-to-peak noise. It includes ESD protection, EMI filtering, internal lead bias, DC lead-off detection, and soft power-up sequencing. High input impedance minimizes signal attenuation during dry-start conditions.

Motion compensation and suppression of motion artifacts are achieved by maximizing the common-mode rejection ratio (CMRR) of the AFE. The MAX30003 supports up to 115 dB CMRR. Optional lead-bias resistors help improve CMRR and increase input impedance. Various low-pass and high-pass filter options limit bandwidth, which is important for attenuating noise from static charge and high-frequency signals. For fitness applications, a single-supply high-pass corner frequency is typically set to 5 Hz; for clinical applications it is often reduced to 0.5 Hz or 0.05 Hz. For sports use, a common-mode low-pass corner frequency of 34 Hz is effective to limit clothing noise during dry-start conditions.

The MAX30003 operates at 1.1 V with ultra-low power of 85 μW, extending battery life. Lead-on detection can operate during standby/deep-sleep mode (70 nA). A 32-word FIFO can store up to 32 ECG conversion results, reducing the processing burden on the host microcontroller so it can remain in sleep mode longer and save power. The MCU can be programmed to ignore potentially invalid data. Built-in algorithms for R-R interval detection further reduce MCU activity and can lower MCU power to about 1 μA versus 50 to 100 times higher if all functions were implemented by the main MCU.

Maxim also offers a reference platform for wearable health and fitness product development. The MAXREFDES100 health sensor platform includes hardware building blocks on a single printed circuit board and an mbed-compatible programming board as a hardware development kit. The platform combines the MAX30003 with MAX30101 optical components (LEDs and photodetector) and low-noise electronics with ambient-light suppression to add pulse oximetry capability. The platform also includes a clinical-grade temperature sensor and recommended power modules to provide multiple outputs for MCU, AFE, and digital interfaces.