Overview
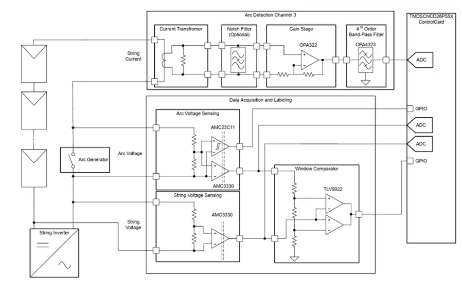
The Texas Instruments TI EVM-ARC-AFE evaluation module is an analog front end based on artificial intelligence (AI) for DC arc detection in solar applications. DC arcs generate high-frequency noise on DC string currents. The acquired data is fed to an embedded AI model trained to recognize arcs and detect arc frequency. Compared with traditional arc detection methods, these features deliver higher accuracy with lower computational requirements. In addition to the signal chain used for arc detection, the design also supports collection and labeling of arc data for embedded AI model training.
The hardware can be used with the TMDSCNCD28P55X controlCARD of C2000 F28P55x devices and other C2000 control cards that use the 180-pin connector. It is part of an AI-based arc detection toolchain that includes software tools for collecting arc data, training embedded AI models, and validating systems.
Features
- 4-channel analog front end for AI-based arc detection
- Configurable analog front end with band-pass and notch filters
- Series voltage and arc-gap voltage inputs for training data acquisition
- Automatic tagging circuit to generate labeled arc data
- Compatible with TMDSCNCD28P55X, C2000 F28P55x controlCARDs, and other C2000 control cards with a 180-pin connector
- Selected embedded AI models for quick start of AI-based arc detection
Applications
- Solar arc protection
- String inverters
- Central inverters
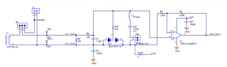
Current sensing circuit diagram

Test setup

Arc test apparatus block diagram

ALLPCB