Introduction
We live in an era surrounded by electronic devices that simplify tasks such as learning, working, exercising, traveling, and communicating. Wearable devices in particular are becoming an integral part of daily life. In medical applications, wearables can monitor heart rate, blood pressure, blood oxygen, calories burned, and sleep. High performance, small size, and low power consumption are critical for these devices. Achieving all three often requires trade-offs in circuit design, for example increasing device size to meet power goals. Is there a way to extend battery life without increasing the size of battery-powered devices?
The answer is yes. Component miniaturization, lower power consumption, and higher performance favor compact wearable designs. In addition, fast charging and advanced power management IC (PMIC) technologies are widely used in wearables. As SIMO PMIC technology has matured in recent years, power-system design for wearables has become easier.
Power management in wearables
Wearable devices typically integrate a microcontroller, memory, communication, display, sensors, and power management. Microcontrollers, displays, and sensors may require different voltage rails. Many peripherals such as communication ICs and sensors remain in sleep mode most of the time and are powered only when needed, so multiple voltage rails are usually required.
Microcontrollers often run continuously and are a major source of power consumption, with a typical current draw around 40 μA/MHz. Given constraints on size, performance, and power, careful power management is essential. Modern wearable power management is usually PMIC based, combining functions such as charging, DC-DC conversion, and regulation. With positive market expectations for wearables, PMICs are an important market segment.

Typical system architecture for a wearable device
Market analyses show strong growth for wearables. Mordor Intelligence estimated the wearable market at about $27.91 billion in 2020, projecting it to reach $74.03 billion by 2026 with a CAGR of 17.65% for 2021–2026. The emergence of MEMS sensors has accelerated wearable development, enabling continuous health and activity monitoring. Cisco reported that connected wearable devices were expected to grow from 593 million in 2018 to 1.105 billion in 2022. Grand View Research projected a $40.65 billion global market in 2020 and a 13.8% CAGR from 2021 to 2028.
Two main factors drive rapid market growth: advances in IoT and related technologies that increase the number of connected devices, and rising rates of chronic disease and obesity that push adoption of fitness trackers and body monitors for health monitoring. Wearables provide physiological and daily-life data such as sleep quality, heart rate, blood oxygen, blood pressure, cholesterol, and calories burned.
IC Insights reported a surge in semiconductor sales in 2021 following the pandemic downturn, with strong demand and supply-chain disruptions raising average analog IC prices. PMICs were expected to be the second-largest analog submarket in 2022 with a projected 12% increase year over year, driven by demand from 5G and consumer electronics. Yole predicted the power IC market would exceed $25.5 billion by 2026 with a 3% CAGR from 2020 to 2026; the automotive segment would grow fastest while mobile and consumer segments remain the largest.
Battery and charging considerations
For small wearables such as smartwatches and fitness bands, battery options are typically single lithium-ion cells around 3.8 V and 130–410 mAh. Battery management and charging systems must continuously monitor current, voltage, and temperature during operation and charging. An ideal power management solution minimizes system power draw and supports fast, safe charging.
Examples of integrated PMICs for portable applications include Texas Instruments TPS65070, a single-chip power management solution that integrates a charger, three buck converters, and two LDOs. It can be powered from a USB port or a wall adapter and uses 2.25 MHz buck converters to supply the processor, memory, and I/O, entering a low-power mode under light load. STMicroelectronics STMP30 is another PMIC aimed at improving battery run time in portable devices. It accepts 2.9 V to 4.8 V input and integrates three DC/DC converters for smartphone and portable displays. One boost converter provides adjustable output for display brightness optimization, and the other converters support programmable negative and positive voltages for display and subsystem needs.
SIMO PMIC: compact, efficient multi-rail power
Compact wearables typically must use small batteries. Despite capacity improvements, stored energy depletes quickly. Designers of always-on wearables and IoT devices aim to extend battery life while reducing enclosure size. Small, highly integrated PMICs are a preferred solution.
PMICs integrate multiple traditional power outputs into a single chip, achieving high efficiency and smaller volume in battery-powered applications. DC-DC converters dominate PMIC implementations due to high conversion efficiency. DC-DC architectures include linear regulators (LDO), inductor-based buck/boost switchers, and capacitor-based switched-capacitor converters (charge pumps). LDOs can be fully integrated and offer scalable voltages but lower efficiency. Charge pumps are fully integrable and efficient but lack voltage scalability. Inductor-based switchers are highly efficient and voltage-flexible but are not fully integrable because of external inductors. Wearable designs often combine LDOs and inductor-based buck/boost converters for flexibility and efficiency.
In traditional inductor-based switcher designs, each output typically needs a separate inductor, increasing size and cost. To reduce board area, designers often use compact, low-noise LDOs at the expense of efficiency. Single-inductor multiple-output (SIMO) regulators address this trade-off by using one shared inductor to support multiple independent DC outputs, integrating functions that previously required multiple discrete components into a smaller package while maintaining high efficiency.
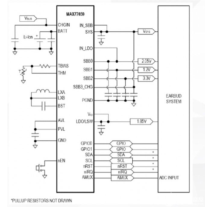
01 ADI MAX77659
Analog Devices' MAX77659 is a SIMO PMIC that integrates a switch-mode buck-boost charger and three independent programmable buck-boost regulators sharing a single inductor. The device reduces the bill of materials and solution size; the regulators achieve around 91% efficiency under medium to heavy loads and draw only 5.0 μA of quiescent current in light-load conditions. These characteristics help extend battery life for wearables and IoT devices.

MAX77659 functional block diagram
02 TI TPS65135
TI's TPS65135 is a dual-power converter with a SIMO topology that uses a single inductor and few external components to generate positive and negative outputs that can be above or below the input voltage. It operates from a 2.5 V to 5.5 V input, optimized for single-cell lithium batteries and a 3.3 V rail. Using a 2.2 μH inductor, it can generate up to +6 V and as low as -7 V under certain output current mismatches. The two outputs are controlled by EN pins, and integrated UVLO disables the device when input voltage is too low.

TPS65135 system block diagram
Conclusion
Global spending on wearable technology is projected to increase over time. Thin, small, and light form factors constrain battery capacity and are primary factors limiting wearable battery life. Traditional batteries such as coin lithium cells can serve low-power sensors but may not meet demands of feature-rich wearables like fitness bands and smartwatches. Extending battery life is essential for market acceptance. Techniques including energy harvesting, battery management, power management, and low-power system design help extend runtime.
Battery selection and power management are critical to overall device success. Engineering teams must balance design variables to meet requirements within limited available power. SIMO PMIC solutions improve energy efficiency and, through high integration, significantly reduce PCB area, making them a suitable option for power management in battery-powered wearables.
ALLPCB