10 EMC/EMI Design Tips
Practical automotive EMC/EMI techniques: CISPR/ISO overview and 10 design tips to reduce emissions, improve immunity, and pass tests first time.
Practical automotive EMC/EMI techniques: CISPR/ISO overview and 10 design tips to reduce emissions, improve immunity, and pass tests first time.
Guide to cable shield grounding: single-point, multipoint, hybrid and double-shield terminations to reduce EMI across low, high & mixed frequencies.
Learn how spread-spectrum clocking reduces narrowband EMI from PWM and clocks, its principles, effects on EMC measurements and use in buck converters.
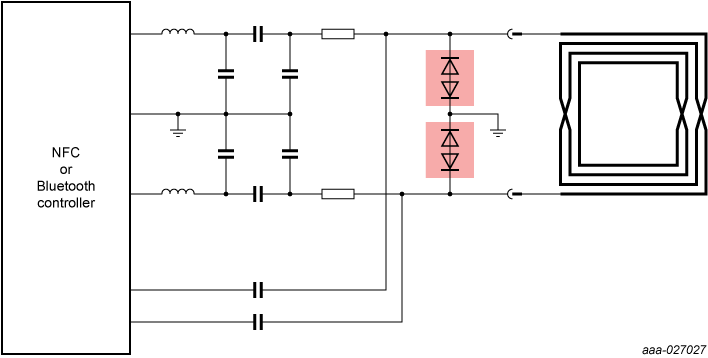
Guide to antenna ESD protection for IoT/NFC: choose tiny, low-capacitance (<1pF), proper voltage/bidirectional, 8kV robustness; ULC1811CDN example.
Explore Electromagnetic Compatibility (EMC) standards and testing. Understand EMI/EMS tests, key regulations (IEC, FCC), and fundamental principles.
Learn practical EMC troubleshooting: identify power, clock, and ground causes, analyze coupling paths, and apply cost-effective fixes.
Comprehensive EMC design Q&A: PCB layout, grounding, filtering, shielding, decoupling, and practical EMI mitigation tips for compliant products.
Uncover the truth about mobile phone radiation. Learn about health risks, why weak signals increase exposure, and how it compares to 5G base stations.
Master buck converter EMI reduction. Learn to manage hot loops, optimize PCB layout, apply filtering, and use snubber circuits to minimize radiation.
Automotive EMC guide: standards, test requirements, coupling mechanisms and vehicle-level design tips to ensure EMI compliance.
Practical EMC, EMI and ESD design tips to reduce emissions, boost immunity and integrate protection early for easier certification.
Learn the causes of electrostatic discharge (ESD) and how it damages electronics. Discover key PCB design and manufacturing tips to prevent component failure.
Practical PCB EMC design guide: component layout, routing, power, grounding, interfaces and enclosure tips from military projects and IEEE insights.
Discover how Oersted, Faraday, & Maxwell united electricity & magnetism. Trace the path from a simple discovery to Maxwell's equations & the electrical age.
Failed EMC radiated emissions? See how we fixed SMPS noise using an RC snubber and common-mode choke. A practical guide to troubleshooting and compliance.
Learn how Transient Voltage Suppressor (TVS) diodes protect electronics from surges. This guide covers key parameters, characteristics & how to select them.
Learn about harmonic current and voltage flicker in EMI testing. Understand the risks, IEC standards, test methods, and how to meet EMC compliance limits.
Explore advanced magnetic shielding for EV wireless charging. Our new structure reduces magnetic leakage while boosting transmission efficiency for safer WPT.
A guide to Electromagnetic Compatibility (EMC). Understand radiated interference, shielding, grounding, and filter design to prevent EMI in your circuits.
Master EMC troubleshooting by understanding decibels. Learn why removing one EMI source shows little change while another shows a huge drop. Avoid common traps.